采用恒流/恒壓和脈沖充電相結合的充電樁系統

模塊設計框架圖
該雙模式充電樁主要技術參數:
輸入電壓:AC 220V/50Hz
輸出最大電壓:500V
輸出最大電流:10A
整機效率:≥90%
穩壓精度:≤0.5%
充電系統直流模塊
目前市場需要的直流充電樁都是大電流充電,所以應用于市場時,可以將多個樣機并聯,實現輸出大電流的效果。
主電路設計參數:
電源系統最大輸出功率5000W
整流橋最大輸出電流18.9A
整流輸出電壓311V
整流橋型號KBU3510
濾波電容:5個1000uf/450V的鋁電解電容并聯
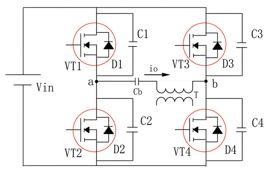
采用全橋式電路
高頻變壓器采用PC40材料的PO50/50磁芯,初級繞組10匝,次級繞組20匝
隔直電容2.2uF 的CBB電容
采用零電壓PWM變換器(ZVS)
全橋逆變電路輸出最大電壓:500V
全橋逆變電路輸出最大電流:10A
微控制器 STM32

系統主電路圖
由于主電路與微控制器STM32功率相差過大,MOS管和控制器之間必須隔離,因此每個MOS管都采用獨立的驅動電路。
全橋逆變電路中MOS管的選擇
能夠承受全橋逆變電路的最大輸出電壓500V
承受最大電流>18.9A

全橋變換器的基本電路圖
〈烜芯微/XXW〉專業制造二極管,三極管,MOS管,橋堆等,20年,工廠直銷省20%,上萬家電路電器生產企業選用,專業的工程師幫您穩定好每一批產品,如果您有遇到什么需要幫助解決的,可以直接聯系下方的聯系號碼或加QQ/微信,由我們的銷售經理給您精準的報價以及產品介紹
聯系號碼:18923864027(同微信)
QQ:709211280

