US2GF快恢復二極管參數,US2GF二極管規格書,US2GF參數資料
US2GF快恢復二極管,US2GF二極管資料,US2GF封裝為SMAF與US2GF二極管的作用
US2GF快恢復二極管,US2GF二極管資料,US2GF封裝為SMAF與US2GF二極管的作用

Maximum repetitive peak reverse voltage VRRM 最大重復峰值反向電壓:400V
Maximum DC blocking voltage VDC 最大直流閉鎖電壓:400V
Maximum average forward rectified current I(AV) 最大正向平均整流電流:2A
Maximum instantaneous forward voltage at 2A VF 2A時的最大瞬時正向電壓:1.3V
Maximum DC reverse current at rated DC blocking voltage TA=25℃ IR 額定直流阻斷電壓下的最大直流反向電流:5.0uA
Maximum DC reverse current at rated DC blocking voltage TA=125℃ IR 額定直流阻斷電壓下的最大直流反向電流:100uA
Operating junction and storage temperature range TJ,TSTG 工作溫度和存儲溫度范圍:-55to +150℃
Maximum reverse recovery time 恢復時間:50ns
US2GF超快恢復二極管,SMAF封裝尺寸:

US2GF超快恢復二極管,SMAF封裝尺寸:

US2GF超快恢復二極管,SMA封裝尺寸:

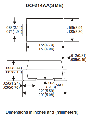
US2GF超快恢復二極管,SMB封裝尺寸:

US2GF超快恢復二極管,SMBF封裝尺寸:

〈烜芯微/XXW〉專業制造二極管,三極管,MOS管,橋堆等,20年,工廠直銷省20%,上萬家電路電器生產企業選用,專業的工程師幫您穩定好每一批產品,如果您有遇到什么需要幫助解決的,可以直接聯系下方的聯系號碼或加QQ/微信,由我們的銷售經理給您精準的報價以及產品介紹
聯系號碼:18923864027(同微信)
QQ:709211280



