LM324系列是低成本的四路運算放大器,具有真正的差分輸入。在單電源應用中,它們與標準運算放大器類型相比具有幾個明顯的優勢。該四路放大器可以工作于低至3.0 V或高達32 V的電源電壓,靜態電流是MC1741的五分之一左右(每個放大器)。共模輸入范圍包括負電源,因此在眾多應用中無需外部偏置元器件。輸出電壓范圍也包括負電源電壓。

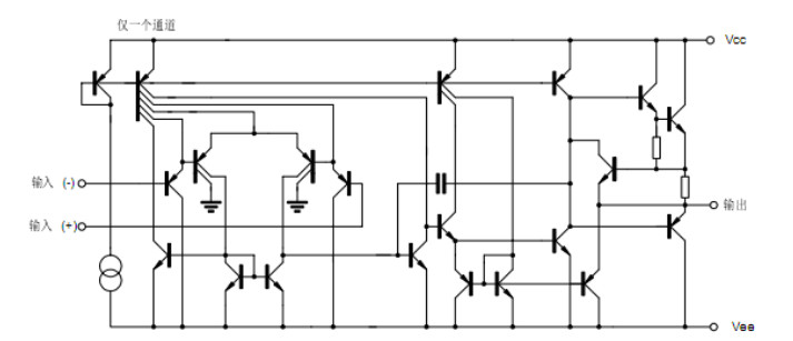
圖1 內部電路圖
1.特點
(1)具有寬的單電源或雙電源工作電壓范圍;單電源3V~32V,雙電源±1.5V~±15V
(2)內含相位校正回路, 外圍元件少
(3)高增益頻率補償運算
(4)額定電源電壓:+15V
(5)短路保護輸出
(6)真正的差分輸入級
(7)低偏置電流:最大100nA
(8)每封裝含四個運算放大器。
(9)具有內部補償的功能。
(10)共模范圍擴展到負電源
(11)行業標準的引腳排列
(12)輸入端具有靜電保護功能
(13)封裝形式:DIP14 SOP-14
(14)無鉛的,無鹵素/無BFR且符合RoHS標準
2.應用領域
應用領域包括傳感器放大器,直流增益模塊和所有傳統的運算放大器可以更容易地在單電源系統中實現的電路。例如,可直接操作的LM324系列,這是用來在數字系統中,輕松地將提供所需的接口電路,而無需額外的±15V電源標準的5V電源電壓。
3.引腳圖及功能
LM324 是四運放集成電路,它采用14腳雙列直插塑料封裝,外形如圖1所示。它的內部包含四組形式完全相同的運算放大器, 除電源共用外,四組運放相互獨立。每一組運算放大器可用圖2所示的符號來表示,它有5個引出腳,其中“+”、“-”為兩個信號輸入端,“V+”、“V-” 為正、負電源端,“Vo”為輸出端。兩個信號輸入端中,Vi-(-)為反相輸入端,表示運放輸出端Vo的信號與該輸入端的位相反;Vi+(+)為同相輸入端,表示運放輸出端Vo的信號與該輸入端的相位相同。LM324的引腳排列見圖3。其引腳功能及工作電壓如表1所示。
表1 LM324引腳功能及工作電壓


圖2 封裝圖

圖3 電路符號

圖4 引腳排列圖
電話:18923864027(同微信)
QQ:709211280
〈烜芯微/XXW〉專業制造二極管,三極管,MOS管,橋堆等,20年,工廠直銷省20%,上萬家電路電器生產企業選用,專業的工程師幫您穩定好每一批產品,如果您有遇到什么需要幫助解決的,可以直接聯系下方的聯系號碼或加QQ/微信,由我們的銷售經理給您精準的報價以及產品介紹

