可控硅是可控硅整流元件的簡稱,是一種具有三個PN 結的四層結構的大功率半導體器件,一般由兩晶閘管反向連接而成。它的功能不僅是整流,還可以用作無觸點開關的快速接通或切斷;實現將直流電變成交流電的逆變;將一種頻率的交流電變成另一種頻率的交流電等等。可控硅和其它半導體器件一樣,有體積小、效率高、穩定性好、工作可靠等優點。它的出現,使半導體技術從弱電領域進入了強電領域,成為工業、農業、交通運輸、軍事科研以至商業、民用電器等方面爭相采用的元件。目前可控硅在自動控制、機電應用、工業電氣及家電等方面都有廣泛的應用。
可控硅從外形上區分主要有螺旋式、平板式和平底式三種。螺旋式應用較多。
可控硅有三個極----陽極(A)、陰極(C)和控制極(G),管芯是P型導體和N型導體交迭組成的四層結構,共有三個PN 結,與只有一個PN結的硅整流二極管在結構上迥然不同??煽毓璧乃膶咏Y構和控制極的引入,為其發揮“以小控大”的優異控制特性奠定了基礎??煽毓钁脮r,只要在控制極加上很小的電流或電壓,就能控制很大的陽極電流或電壓。目前已能制造出電流容量達幾百安培以至上千安培的可控硅元件。一般把5安培以下的可控硅叫小功率可控硅,50安培以上的可控硅叫大功率可控硅。


我們可以把從陰極向上數的第一、二、三層看面是一只NPN型號晶體管,而二、三、四層組成另一只PNP型晶體管。其中第二、第三層為兩管交迭共用??僧嫵鰣D1的等效電路圖。當在陽極和陰極之間加上一個正向電壓E,又在控制極G和陰極C之間(相當BG2的基一射間)輸入一個正的觸發信號,BG2將產生基極電流Ib2,經放大,BG2將有一個放大了β2 倍的集電極電流IC2 。因為BG2集電極與BG1基極相連,IC2又是BG1 的基極電流Ib1 。BG1又把Ib1(Ib2)放大了β1的集電極電流IC1送回BG2的基極放大。如此循環放大,直到BG1、BG2完全導通。事實上這一過程是“一觸即發”的,對可控硅來說,觸發信號加到控制極,可控硅立即導通。導通的時間主要決定于可控硅的性能。
可控硅一經觸發導通后,由于循環反饋的原因,流入BG2基極的電流已不只是初始的Ib2 ,而是經過BG1、BG2放大后的電流(β1*β2*Ib2),這一電流遠大于Ib2,足以保持BG2的持續導通。此時觸發信號即使消失,可控硅仍保持導通狀態,只有斷開電源E或降低E的輸出電壓,使BG1、BG2 的集電極電流小于維持導通的最小值時,可控硅方可關斷。當然,如果E極性反接,BG1、BG2受到反向電壓作用將處于截止狀態。這時,即使輸入觸發信號,可控硅也不能工作。反過來,E接成正向,而觸動發信號是負的,可控硅也不能導通。另外,如果不加觸發信號,而正向陽極電壓大到超過一定值時,可控硅也會導通,但已屬于非正常工作情況了。
可控硅這種通過觸發信號(小觸發電流)來控制導通(可控硅中通過大電流)的可控特性,正是它區別于普通硅整流二極管的重要特征。
由于可控硅只有導通和關斷兩種工作狀態,所以它具有開關特性,這種特性需要一定的條件才能轉化,此條件見表1
表1 可控硅導通和關斷條件


應用舉例:
可控硅在實際應用中電路花樣最多的是其柵極觸發回路,概括起來有直流觸發電路,交流觸發電路,相位觸發電路等等。
1、直流觸發電路:
如圖2是一個電視機常用的過壓保護電路,當E+電壓過高時A點電壓也變高,當它高于穩壓管DZ的穩壓值時DZ道通,可控硅D受觸發而道通將E+短路,使保險絲RJ熔斷,從而起到過壓保護的作用。


2、相位觸發電路:
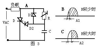
相位觸發電路實際上是交流觸發電路的一種,如圖3,這個電路的方法是利用RC回路控制觸發信號的相位。當R值較少時,RC時間常數較少,觸發信號的相移A1較少,因此負載獲得較大的電功率;當R值較大時,RC時間常數較大,觸發信號的相移A2較大,因此負載獲得較少的電功率。這個典型的電功率無級調整電路在日常生活中有很多電氣產品中都應用它。


可控硅主要參數有:
1、 額定通態平均電流
在一定條件下,陽極---陰極間可以連續通過的50赫茲正弦半波電流的平均值。
2、 正向阻斷峰值電壓
在控制極開路未加觸發信號,陽極正向電壓還未超過導能電壓時,可以重復加在可控硅兩端的正向峰值電壓??煽毓璩惺艿恼螂妷悍逯?,不能超過手冊給出的這個參數值。
3、 反向陰斷峰值電壓
當可控硅加反向電壓,處于反向關斷狀態時,可以重復加在可控硅兩端的反向峰值電壓。使用時,不能超過手冊給出的這個參數值。
4、 控制極觸發電流
在規定的環境溫度下,陽極---陰極間加一定電壓,使可控硅從關斷狀態轉為導通狀態所需要的最小控制極電流和電壓。
5、 維持電流
在規定溫度下,控制極斷路,維持可控硅導通所必需的最小陽極正向電流。
采用可控硅技術對照明系統進行控制具有:電壓調節速度快,精度高,可分時段實時調整,有穩壓作用,采用電子元件,相對來說體積小、重量輕、成本低。但該調壓方式存在一致命缺陷,由于斬波,使電壓無法實現正弦波輸出,還會出現大量諧波,形成對電網系統諧波污染,危害極大,不能用在有電容補償電路中。(現代照明設計要求規定,照明系統中功率因數必須達到0.9以上,而氣體放電燈的功率因數在一般在0.5以下,所以都設計用電容補償功率因數)在國外發達國家,已有明文規定對電氣設備諧波含量的限制,在國內,北京、上海、廣州等大城市,已對諧波含量超標的設備限制并入電網使用。
采用可控硅技術對照明系統進行照度控制時,可通過加裝濾波設備來有效降低諧波污染。
近年來,許多新型可控硅元件相繼問世,如適于高頻應用的快速可控硅,可以用正或負的觸發信號控制兩個方向導通的雙向可控硅,可以用正觸發信號使其導通,用負觸發信號使其關斷的可控硅等等。
應用介紹------可控硅在調光器中的應用:
可控硅調光器是目前舞臺照明、環境照明領域的主流設備。
在照明系統中使用的各種調光器實質上就是一個交流調壓器,老式的變壓器和變阻器調光是采用調節電壓或電流的幅度來實現的,如下圖所示。u1是未經調壓的220V交流電的波形,經調壓后的電壓波形為u2,由于其幅度小于u1,使燈光變暗。在這種調光模式中,雖然改變了正弦交流電的幅值,但并未改變其正弦波形的本質。


與變壓器、電阻器相比,可控硅調光器有著完全不同的調光機理,它是采用相位控制方法來實現調壓或調光的。對于普通反向阻斷型可控硅,其閘流特性表現為當可控硅加上正向陽極電壓的同時又加上適當的正向控制電壓時,可控硅就導通;這一導通即使在撤去門極控制電壓后仍將維持,一直到加上反向陽極電壓或陽極電流小于可控硅自身的維持電流后才關斷。普通的可控硅調光器就是利用可控硅的這一特性實現前沿觸發相控調壓的。在正弦波交流電過零后的某一時刻t1(或某一相位角wt1),在可控硅控制極上加一觸發脈沖,使可控硅導通,根據前面介紹過的可控硅開關特性,這一導通將維持到正弦波正半周結束。因此在正弦波的正半周(即0~p區間)中,0~wt1范圍可控硅不導通,這一范圍稱為控制角,常用a表示;而在wt1~p間可控硅導通,這一范圍稱為導通角,常用j表示。同理在正弦波交流電的負半周,對處于反向聯接的另一個可控硅(對兩個單向可控硅反并聯或雙向可控硅而言)在t2時刻(即相位角wt2)施加觸發脈沖,使其導通。如此周而復始,對正弦波每半個周期控制其導通,獲得相同的導通角。如改變觸發脈沖的施加時間(或相位),即改變了導通角j(或控制角a)的大小。導通角越大調光器輸出的電壓越高,燈就越亮。從上述可控硅調光原理可知,調光器輸出的電壓波形已經不再是正弦波了,除非調光器處在全導通狀態,即導通角為180°(或p)。正是由于正弦波被切割、波形遭受破壞,會給電網帶來干擾等問題……
好的調光設備應采取必要措施,努力降低使用可控硅技術后產生的干擾。
烜芯微專業制造二極管,三極管,MOS管,橋堆等20年,工廠直銷省20%,4000家電路電器生產企業選用,專業的工程師幫您穩定好每一批產品,如果您有遇到什么需要幫助解決的,可以點擊右邊的工程師,或者點擊銷售經理給您精準的報價以及產品介紹
烜芯微專業制造二極管,三極管,MOS管,橋堆等20年,工廠直銷省20%,4000家電路電器生產企業選用,專業的工程師幫您穩定好每一批產品,如果您有遇到什么需要幫助解決的,可以點擊右邊的工程師,或者點擊銷售經理給您精準的報價以及產品介紹

