新應用不斷涌現,這就需要有高壓開關技術,而且與硅 IGBT 和 IGCT 技術相比,該技術的系統平衡成本和運行損耗要顯著降低。該技術的應用范圍非常廣,從固態變壓器、中壓電機驅動器到智能電網應用(FACTS、STATCOM)和高壓直流斷路器均包含在內。SiC MOSFET 被認為是在不久的將來顛覆這一領域的絕佳選擇,UnitedSiC 提供了獨特的方法來加速采用基于寬帶隙的高壓開關。這種方法被稱為超共源共柵 (Supercascode)。我們將這種方法及其已證明的性能與硅技術和 SiC MOSFET 技術可以實現的結果進行了比較。
SiC 器件及模塊
在過去的十年中,高壓 SiC 器件領域取得了許多進步。從理論上講,可以開發出最大額定電壓至少為硅器件 10 倍的 SiC 器件。沿著這些思路,許多演示展示過高達 15kV 單個 SiC MOSFET,甚至是高達 27kV 的 SiC IGBT。6.5kV-10kV 范圍內的 MOSFET 正在逐漸成為基于模塊的產品。這充分證明,在 3.3kV 以上時,相對于硅 IGBT,SiC MOSFET 可以顯著降低損耗。
對于 10-25kV 電壓的 SiC IGBT,載流子壽命提高和控制、超厚外延層的增長、器件可靠性和最佳特性等挑戰正在攻克中,產品仍需 5-10 年才能問世。
在大于 3.3kV 的領域,目前使用及正在開發的主要器件結構為平面式 MOSFET 和集成了合并式 P-i-N 肖特基二極管 (MPS) 的 MOSFET,如圖 1 所示。后一種器件無需在模塊中添加額外的 SiC 肖特基二極管,從而為 MOSFET 提供了更多封裝空間,并提高了可用的額定電流,因為通過增加芯片尺寸來增加每個單元內的肖特基空間的可能性不大。但是,由于目標應用需要較高的額定電流,因此需要有源面積為 0.5-1 cm2 的相對較大的器件,而采用 SiC 時這些器件很難以高產量生產。


圖 1:處于開發中的適合更高電壓的 SiC應用的平面式 MOSFET (a) 和集成肖特基的 MOSFET (b) 的結構。需要將許多這樣的器件在模塊中并聯才能達到所需的額定電流,并且每個芯片都會開關整個總線電壓
高壓器件面臨的一個關鍵挑戰是,較厚的外延層會導致啟動外延晶片時出現更多缺陷。這些較厚且摻雜較少的層具有更多的摻雜變化,因為隨著摻雜水平達到1014cm-3 的水平,就很難維持嚴格的摻雜控制。隨著厚度的增加,外延期間的耗材成本也更高。當前最先進的技術可以讓最高 3.3kV 的器件獲得高質量的 30um 外延層,并且在未來幾年內 6.5kV-10kV (50-90um) 的層將得到增強并達到可以投產的質量。額定值為 1.7kV 及以下的外延層在 6 英寸 4H-SiC 襯底上可獲得非常高質量和緊密的參數分布。
封裝超高壓開關時會出現許多有趣的挑戰。當單個開關通過 5kV 總線工作并在 25ns 內關閉時,我們得到的 dV/dt 值為 200V/ns。10pF 的雜散電容(例如,從芯片漏級到基板的或跨柵極電路隔離柵的雜散電容)將導致每個芯片有 2A (C*dV/dt) 的位移電流。由于大功率模塊往往具有許多(10-20個)并聯芯片,此問題可能變得非常嚴重。這些雜散電流會導致額外的損耗,并且還會導致低壓柵極驅動電子器件出現嚴重的誤觸發問題。位移電流過大也會同時削弱模塊內部以及外部電纜和電路中的絕緣措施。
在額定 10kV 的器件中,在器件末端頂部的 1mm 區域中會產生 10kV 的壓降。這就需要在模塊制造期間非常仔細地注意器件的封裝和清潔度,以避免氣穴、局部放電,以及母線和鍵合線在該區域附近產生的任何破壞性電勢。還需要厚陶瓷來將開關與基板隔離,而這會導致熱阻增加。例如,將單個直接覆銅陶瓷基板 (DBC) 用于 15kV 器件將需要 AlN 層厚度超過 1mm。陶瓷基板上跡線的場分布必須得到良好管理,以控制局部放電以及從模塊中的芯片到基板的最終災難性短路。
超共源共柵的概念及采用原因
UnitedSiC 開發了一種獨特的方法,使用超共源共柵的概念來制造高壓 SiC 器件,該方法基于多個低電壓器件的串聯連接,并通過單個柵極驅動器進行操作。讓我們來研究一下這種方法背后的基本邏輯。表 1 顯示了 1 cm2 SiC JFET 的電阻與額定擊穿電壓的關系??紤]以并聯 6500V 器件來構建 6500V、12.5mohm 模塊的示例。那將需要 4 個面積為 1 cm2 的芯片,每個芯片之間并聯?;蛘撸覀兛梢酝ㄟ^串聯放置 4 個 1 cm2 3mohm、1700V 的芯片(3 x 4 = 12mohm)來獲得相同的電阻。因此,串聯解決方案實質上使用了相同數量的 SiC 晶體管,但是較低壓器件的成本明顯較低,并且易于制造,具有更高的良率和更好的參數分布。

表 1:1700V 至 30kV 下 SiC JFET 的比導通電阻。請注意,4 個串聯的 1 cm2 芯片與 4 個并聯的 6.5kV 芯片具有相同的電阻。這就是超共源共柵方法的基本邏輯
盡管可以將相同的概念用于 SiC MOSFET,但每個低壓模塊都需要自己的同步柵極驅動。這樣就增加了復雜性。使用超共源共柵方法,串聯鏈底部的單個低壓 MOSFET 可控制整個串聯開關。這樣,超共源共柵方法的柵極電荷要求變得比需要驅動并聯高壓 MOSFET 甚至串聯高壓 MOSFET 模塊的方法低很多。表 2 比較了超共源共柵模塊與通過并聯 SiC MOSFET 制成的等效模塊的預期特性。

表 2:超共源共柵模塊與通過將 SiC MOSFET 和集成肖特基二極管并聯而制成的模塊之間的比較。請注意柵極電荷的差異
人們為超共源共柵設計了許多實現方案,圖 2 展示了由 UnitedSiC 開發的兩種電路。該模塊需要一個無源平衡網絡,該網絡嵌入在模塊內部,如圖 3 所示。由于熱耗散主要由 SiC JFET 決定,因此將它們放置在直接覆銅基板 (DBC) 上以進行有效的散熱。其他網絡組件位于該層上方的電路板層中。圖 4 展示了 UnitedSiC 正在開發的該超共源共柵模塊的電氣特性。該器件可阻斷所需的電壓,導通電阻為 20mohm (25℃),并且不需要 SiC JBS 二極管,因為第三象限拐點電壓僅為 0.7V,來自硅 MOSFET,隨后是電阻為 19mohm 的串聯 JFET。二極管恢復電荷 QRR 非常低 (14uC),并且與溫度無關。半橋開關波形表明,在 3600V、220A 下開關時,EON (155mJ) 和 EOFF (28.8mJ) 非常低。

圖 2:實現由 UnitedSiC 開發的超共源共柵結構的兩種電路方法。每一級具有相等數量電容器的第二種電路 (b) 已用于高達 40kV 的開關中

圖 3:正在開發的 200A、6500V 超共源共柵模塊的內部結構。功率大部分消耗在 DBC 表面上的 SiC JFET 中。平衡網絡位于電路板位置,因為其不會消耗太多功率

圖 4:200A、6500V 模塊原型的電氣特性。半橋模塊具有非常低的導電和開關損耗。超共源共柵的恢復特性導致 QRR 非常低
如表 3 所示,功率損耗大大低于 IGBT。在隨后的段落中,我們將研究這些低損耗在一系列應用中可能產生的影響。

表 3:超共源共柵模塊的損耗與相似額定值的 IGBT 的損耗之間的比較。鑒于超共源共柵模塊的開關損耗較低,因此明顯可以在 10 倍高的頻率下使用
高壓開關的應用:中壓固態變壓器
固態變壓器通常采用中壓或高壓交流輸入,例如 4160V 交流電,13.8kV 交流電,并將其轉換為較低的電壓輸出,而無需使用笨重的 60 Hz 變壓器?;靖拍钊鐖D 5 所示,它先對交流電壓進行整流,然后再轉換為 5-100kHz 范圍內的大功率、高頻交流電。小得多的中高頻變壓器可提供較低的副邊電壓,可以對其進行整流以提供低壓直流母線。然后,該電壓可用于為電動車充電或驅動直流-交流逆變器,以管理較低電壓的電機負荷。固態變壓器的尺寸通常比 60Hz 變壓器小很多,從而允許在非常高的電壓下進行功率分配,并在使用時轉換為較低的電壓。這樣就減少了分配功率的電流,減少了銅的重量和成本,并減少了損耗。這對于兆瓦級的功率尤其有用,例如在直流快速充電站中需要以 250-350KW 為 8-10 輛車充電,或者用在大型船舶上,以減少在分配較低交流電壓時發生的銅損。
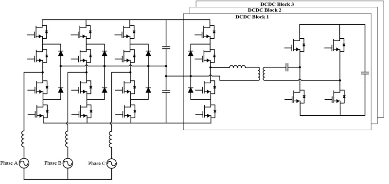
原邊側整流電壓大于 6kV,如果需要高于 500Hz -1kHz 的開關頻率,則不能使用 3.3kV-6.5kV 級的 IGBT 或 IGCT。取而代之的是,用戶可以選擇使用具有 7 個以上電平的 1700V IGBT 的多電平逆變器體系結構,或者是模塊化多電平轉換器 (MMC),它具有許多級聯的低電壓轉換器,定時提供階躍正弦輸出。模塊化多電平轉換器的實例如圖 6 所示,其中轉換器的每一級在原邊側都使用三電平 1700V IGBT模塊。圖 7 展示了具有 10kV 開關的三電平 SiC 器件的實現。顯然,SiC 器件的實現大大簡化了此類直流-交流轉換器的架構和控制,并且可以在相對較高的頻率下運行。

圖 6:基于硅的模塊化多電平轉換器系統的實現,以實現固態變壓器(作者:蘇黎世聯邦理工學院 Huber 等人)。每個級聯轉換器單元中的原邊均具有三電平 1700V 模塊。然后,需要控制所有這些開關和所有這些轉換器以提供所需的輸出正弦波形

圖 7:使用高壓 SiC MOSFET 或超共源共柵來實現要簡單得多??刂茝碗s性大大降低,且高壓器件的數量大大減少。為了使用小型變壓器,開關頻率現在必須是硅解決方案的 10 倍,并且損耗仍必須保持可控水平,以免使熱管理復雜化。這正是高壓 SiC 器件的優勢所在
兆瓦級電機驅動
美國能源部對美國的用電情況進行的調查顯示,兆瓦級工業電機驅動消耗的電量占所有發電量的 14%。通過將這些電機與變速驅動器一起使用,而不是直接接入電網,可以大大節省運營成本。這些電機驅動器必須在較高的總線電壓下運行,以減少工作電流來控制導線尺寸和損耗,基于硅的逆變器的工作頻率為 500Hz -2kHz,取代它的基于 SiC 的逆變器可以用于 10 倍于此的頻率,大大減少了冷卻需求并減小了系統尺寸。
系統設計人員可以選擇上文所述的那個使用硅的多電平轉換器架構,也可以選擇更簡單的雙電平或三電平 SiC 模塊解決方案。設計人員也可以用 SiC 來提高工作電壓,從而降低上游的發電和配電成本。然而,設計人員需要充分利用電機設計和技術進行開發,以充分利用 SiC 的功能。但是直到今天,人們才認識到 SiC 通過降低電流紋波來提高電機工作效率,以及通過降低損耗來提高逆變器效率的優勢。在某些應用中,使用 SiC 就可以使用尺寸更小得多的較高轉速電機,并可能不使用齒輪箱。
高壓系統內的輔助電源
上述所有系統都需要為系統控制電子器件(+/- 5V、12V、24V)以及較小的輔助照明和冷卻系統提供低壓電源。具有高壓功能的較小額定電流模塊可以幫助簡化利用可用的交流中壓為此供電的任務。這是超共源共柵概念的絕佳應用領域,因為其能夠輕松按比例增加開關的電壓。人們還可以利用與低壓常關 MOSFET 串聯的 SiC JFET 的常開特性來簡化啟動電路,這在低功率反激式轉換器中已得到證明。根據功率電平,用戶可以選擇是使用電源模塊,還是使用現成的 JFET 組件創建基于電路板的組件。
高壓直流斷路器
隨著基于直流的發電和直流負荷的激增,人們將新的注意力集中在如何使用固態斷路器來代替機械式斷路器上,以提高可靠性、縮小尺寸、減少弧光問題并為系統保護加入智能。由于固態斷路器沒有活動部件,并且不會試圖以機械方式斷開電流,因此不會出現弧光問題或觸點的機械磨損。固態方法在不強迫諧振零電流交叉的情況下中斷直流電流的主要價值在于,它可以輕松地在 1us 內完成。隨后,可以在零電流下斷開一個更小的隔離開關,以提供電流隔離。這種方法大大減少了下游電路和電源必須處理的故障電流的持續時間和幅度。
圖 8 展示了通常與具有雙向功能的固態斷路器一起使用的布置類型的示例。由于電纜布線和負荷電感在大型電源系統中可能會有很大差異,因此,在中斷直流故障電流時,必須消散線路電感中存儲的能量。該能量可能非常大,因此被圖 8 中并聯使用的金屬氧化物壓敏電阻 (MOV) 吸收。緩沖元件在關閉期間調節單位時間內電壓的變化 (dV/dt) 和單位時間內電流的變化 (di/dt)。

圖 8:雙向固態直流斷路器的實現。背對背開關在任一方向上提供隔離電壓。電阻器-電容器 (RC) 緩沖器可緩和開關電壓轉換。MOV 大小適當,可吸收線路電感中最壞情況下存儲的能量。使用超共源共柵開關,幾乎可以實現任何電壓或電流處理水平
此應用對于開關的主要要求是低導電損耗、容易實現電壓和電流縮放,以及在大故障電流關閉條件下的穩健運行。超共源共柵方法在這里再次變得有益。SiC JFET 具有很好的導通電阻正溫度系數,閾值電壓 (VTH) 與溫度的比值幾乎為平線,因此非常容易并聯,從而使大電流縮放非常簡單。借助超共源共柵技術,僅需驅動一個以公共電源為參考的低壓 MOSFET 來控制斷路器的操作,即可輕松實現電壓縮放。
如圖 9 所示,將超共源共柵與簡單的運算放大器電路以及低壓 MOSFET 一起使用,可以實現插入損耗非常低的快速動作電流斷路器,同時還可以最大程度地降低峰值故障電流。人們可以修改此類電路以管理浪涌電流,并且僅在發生實際故障時才跳閘。在此示例中,電壓縮放由串聯連接的器件完成,而電流縮放由并聯級完成。

圖 9:6500V、1000A 限流斷路器的設計示例。由并聯的 8 個并聯串組成,每個串具有 5 個串聯的 JFET。跳閘電流可以使用運算放大器上的參考電壓進行設置。可以如圖所示或通過使用低壓 MOSFET 的漏源導通電壓 (VDS(ON)) 來檢測電流
結論
SiC 器件是改善中高壓應用領域中的電力電子器件的極佳候選方案。從固態變壓器到兆瓦級電機驅動,從輔助電源系統到固態斷路器,在這些應用中,我們已經展示了一般的 SiC MOSFET,特別是基于 SiC JFET 的超共源共柵如何提供非常引人注目的高性能和系統簡化優勢。這些應用的增長將推動未來基于 SiC 的功率電子產品的增長,且遠遠超過 21 世紀 20 年代的電動車熱潮。
烜芯微專業制造二極管,三極管,MOS管,橋堆等20年,工廠直銷省20%,4000家電路電器生產企業選用,專業的工程師幫您穩定好每一批產品,如果您有遇到什么需要幫助解決的,可以點擊右邊的工程師,或者點擊銷售經理給您精準的報價以及產品介紹
烜芯微專業制造二極管,三極管,MOS管,橋堆等20年,工廠直銷省20%,4000家電路電器生產企業選用,專業的工程師幫您穩定好每一批產品,如果您有遇到什么需要幫助解決的,可以點擊右邊的工程師,或者點擊銷售經理給您精準的報價以及產品介紹

