功率MOS概述與工作原理
功率MOS場效應晶體管,即MOSFET,其原意是:MOS(Metal Oxide Semiconductor金屬氧化物半導體),FET(Field Effect Transistor場效應晶體管),即以金屬層(M)的柵極隔著氧化層(O)利用電場的效應來控制半導體(S)的場效應晶體管。


N溝道增強型小功率MOS管的結構示意圖
功率mos的工作原理為:截止:漏源極間加正電源,柵源極間電壓為零。P基區與N漂移區之間形成的PN結J1反偏,漏源極之間無電流流過。
導電:在柵源極間加正電壓UGS,柵極是絕緣的,所以不會有柵極電流流過。但柵極的正電壓會將其下面P區中的空穴推開,而將P區中的少子—電子吸引到柵極下面的P區表面。當UGS大于UT(開啟電壓或閾值電壓)時,柵極下P區表面的電子濃度將超過空穴濃度,使P型半導體反型成N型而成為反型層,該反型層形成N溝道而使PN結J1消失,漏極和源極導電。
功率MOS管保護電路設計
功率MOS管自身擁有眾多優點,但是MOS管具有較脆弱的承受短時過載能力,特別是在高頻的應用場合,所以在應用功率MOS管對必須為其設計合理的保護電路來提高器件的可靠性,MOS管作用是什么
功率MOS管保護電路主要有以下幾個方面:
1)防止柵極 di/dt過高:由于采用驅動芯片,其輸出阻抗較低,直接驅動功率管會引起驅動的功率管快速的開通和關斷,有可能造成功率管漏源極間的電壓震蕩,或者有可能造成功率管遭受過高的di/dt而引起誤導通。為避免上述現象的發生,通常在MOS驅動器的輸出與MOS管的柵極之間串聯一個電阻,電阻的大小一般選取幾十歐姆。
2)防止柵源極間過電壓 由于柵極與源極的阻抗很高,漏極與源極間的電壓突變會通過極間電容耦合到柵極而產生相當高的柵源尖峰電壓,此電壓會使很薄的柵源氧化層擊穿,同時柵極很容易積累電荷也會使柵源氧化層擊穿,所以要在MOS管柵極并聯穩壓管以限制柵極電壓在穩壓管穩壓值以下,保護MOS管不被擊穿,MOS管柵極并聯電阻是為了釋放柵極電荷,不讓電荷積累。
3)防護漏源極之間過電壓 雖然漏源擊穿電壓VDS一般都很大,但如果漏源極不加保護電路,同樣有可能因為器件開關瞬間電流的突變而產生漏極尖峰電壓,進而損壞MOS管,功率管開關速度越快,產生的過電壓也就越高。為了防止器件損壞,通常采用齊納二極管鉗位和RC緩沖電路等保護措施。


當電流過大或者發生短路時,功率MOS管漏極與源極之間的電流會迅速增加并超過額定值,必須在過流極限值所規定的時間內關斷功率MOS管,否則器件將被燒壞,因此在主回路增加電流采樣保護電路,當電流到達一定值,通過保護電路關閉驅動電路來 保護MOS管。圖1是MOS管的保護電路,由此可以清楚的看出保護電路的功能。
功率MOSFET的正向導通等效電路
(1):等效電路
(2):說明
功率 MOSFET 正向導通時可用一電阻等效,該電阻與溫度有關,溫度升高,該電阻變大;它還與門極驅動電壓的大小有關,驅動電壓升高,該電阻變小。詳細的關系曲線可從制造商的手冊中獲得。
功率MOSFET的反向導通等效電路
(1):等效電路(門極不加控制)
(2):說明
即內部二極管的等效電路,可用一電壓降等效,此二極管為MOSFET 的體二極管,多數情況下,因其特性很差,要避免使用。
功率MOSFET的反向導通等效電路
(1):等效電路(門極加控制)
(2):說明
功率 MOSFET 在門級控制下的反向導通,也可用一電阻等效,該電阻與溫度有關,溫度升高,該電阻變大;它還與門極驅動電壓的大小有關,驅動電壓升高,該電阻變小。詳細的關系曲線可從制造商的手冊中獲得。此工作狀態稱為MOSFET 的同步整流工作,是低壓大電流輸出開關電源中非常重要的一種工作狀態。
功率MOSFET的正向截止等效電路
(1):等效電路
(2):說明
功率 MOSFET 正向截止時可用一電容等效,其容量與所加的正向電壓、環境溫度等有關,大小可從制造商的手冊中獲得。
功率MOSFET的穩態特性總結
(1):功率MOSFET 穩態時的電流/電壓曲線
(2):說明
功率 MOSFET 正向飽和導通時的穩態工作點
當門極不加控制時,其反向導通的穩態工作點同二極管。
(3):穩態特性總結
-- 門極與源極間的電壓Vgs 控制器件的導通狀態;當VgsVth時,器件處于導通狀態;器件的通態電阻與Vgs有關,Vgs大,通態電阻小;多數器件的Vgs為 12V-15V ,額定值為+-30V;
-- 器件的漏極電流額定是用它的有效值或平均值來標稱的;只要實際的漏極電流有效值沒有超過其額定值,保證散熱沒問題,則器件就是安全的;
-- 器件的通態電阻呈正溫度系數,故原理上很容易并聯擴容,但實際并聯時,還要考慮驅動的對稱性和動態均流問題;
-- 目前的 Logic-Level的功率 MOSFET,其Vgs只要 5V,便可保證漏源通態電阻很小;
-- 器件的同步整流工作狀態已變得愈來愈廣泛,原因是它的通態電阻非常小(目前最小的為2-4 毫歐),在低壓大電流輸出的DC/DC 中已是最關鍵的器件;
常見功率MOS管驅動電路分析
一. 不隔離的互補功率mos驅動電路
圖2(a)為常用的小功率驅動電路,簡單可靠成本低。適用于不要求隔離的小功率開關設備。圖2(b)所示驅動電路開關速度很快,驅動能力強,為防止兩個MOSFET管直通,通常串接一個0.5~1Ω小電阻用于限流,該電路適用于不要求隔離的中功率開關設備。這兩種電路特點是結構簡單。


圖2 常用的不隔離的互補驅動電路
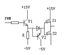
功率mos屬于電壓型控制器件,只要柵極和源極之間施加的電壓超過其閥值電壓就會導通。由于MOSFET存在結電容,關斷時其漏源兩端電壓的突然上升將會通過結電容在柵源兩端產生干擾電壓。常用的互補驅動電路的關斷回路阻抗小,關斷速度較快,但它不能提供負壓,故抗干擾性較差。為了提高電路的抗干擾性,可在此種驅動電路的基礎上增加一級有V1、V2、R組成的電路,產生一個負壓,電路原理圖如圖3所示。


圖3 提供負壓的互補電路
當V1導通時,V2關斷,兩個MOSFET中的上管的柵、源極放電,下管的柵、源極充電,即上管關斷,下管導通,則被驅動的功率管關斷;反之V1關斷時,V2導通,上管導通,下管關斷,使驅動的管子導通。因為上下兩個管子的柵、源極通過不同的回路充放電,包含有V2的回路,由于V2會不斷退出飽和直至關斷,所以對于S1而言導通比關斷要慢,對于S2而言導通比關斷要快,所以兩管發熱程度也不完全一樣,S1比S2發熱嚴重。
該驅動電路的缺點是需要雙電源,且由于R的取值不能過大,否則會使V1深度飽和,影響關斷速度,所以R上會有一定的損耗。
二. 隔離的功率mos驅動電路
(1)正激式驅動電路。電路原理如圖(a)所示,N3為去磁繞組,S2為所驅動的功率管。R2為防止功率管柵極、源極端電壓振蕩的一個阻尼電阻。因不要求漏感較小,且從速度方面考慮,一般R2較小,故在分析中忽略不計。


圖4正激驅動電路
其等效電路圖如圖4(b)所示脈沖不要求的副邊并聯一電阻R1,它做為正激變換器的假負載,用于消除關斷期間輸出電壓發生振蕩而誤導通。同時它還可以作為功率MOSFET關斷時的能量泄放回路。該驅動電路的導通速度主要與被驅動的S2柵極、源極等效輸入電容的大小、S1的驅動信號的速度以及S1所能提供的電流大小有關。由仿真及分析可知,占空比D越小、R1越大、L越大,磁化電流越小,U1值越小,關斷速度越慢。
該電路具有以下優點:①電路結構簡單可靠,實現了隔離驅動。 ②只需單電源即可提供導通時的正、關斷時負壓。 ③占空比固定時,通過合理的參數設計,此驅動電路也具有較快的開關速度。
該電路存在的缺點:一是由于隔離變壓器副邊需要噎嗝假負載防振蕩,故電路損耗較大;二是當占空比變化時關斷速度變化較大。脈寬較窄時,由于是儲存的能量減少導致MOSFET柵極的關斷速度變慢。
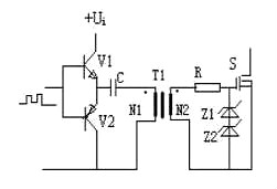
(2)有隔離變壓器的互補驅動電路。如圖5所示,V1、V2為互補工作,電容C起隔離直流的作用,T1為高頻、高磁率的磁環或磁罐。


圖5 有隔離變壓器的互補驅動電路
導通時隔離變壓器上的電壓為(1-D)Ui、關斷時為D Ui,若主功率管S可靠導通電壓為12V,而隔離變壓器原副邊匝比N1/N2為12/[(1-D)Ui]。為保證導通期間GS電壓穩定C值可稍取大些。該電路具有以下優點:
①電路結構簡單可靠,具有電氣隔離作用。當脈寬變化時,驅動的關斷能力不會隨著變化。
②該電路只需一個電源,即為單電源工作。隔直電容C的作用可以在關斷所驅動的管子時提供一個負壓,從而加速了功率管的關斷,且有較高的抗干擾能力。
但該電路存在的一個較大缺點是輸出電壓的幅值會隨著占空比的變化而變化。當D較小時,負向電壓小,該電路的抗干擾性變差,且正向電壓較高,應該注意使其幅值不超過MOSFET柵極的允許電壓。當D大于0.5時驅動電壓正向電壓小于其負向電壓,此時應該注意使其負電壓值不超過MOAFET柵極允許電壓。所以該電路比較適用于占空比固定或占空比變化范圍不大以及占空比小于0.5的場合。
(3)集成芯片UC3724/3725構成的驅動電路
功率mos電路構成如圖6所示。其中UC3724用來產生高頻載波信號,載波頻率由電容CT和電阻RT決定。一般載波頻率小于600kHz,4腳和6腳兩端產生高頻調制波,經高頻小磁環變壓器隔離后送到UC3725芯片7、8兩腳經UC3725進行調制后得到驅動信號,UC3725內部有一肖特基整流橋同時將7、8腳的高頻調制波整流成一直流電壓供驅動所需功率。
一般來說載波頻率越高驅動延時越小,但太高抗干擾變差;隔離變壓器磁化電感越大磁化電流越小,UC3724發熱越少,但太大使匝數增多導致寄生參數影響變大,同樣會使抗干擾能力降低。根據實驗數據得出:對于開關頻率小于100kHz的信號一般取(400~500)kHz載波頻率較好,變壓器選用較高磁導如5K、7K等高頻環形磁芯,其原邊磁化電感小于約1毫亨左右為好。
這種驅動電路僅適合于信號頻率小于100kHz的場合,因信號頻率相對載波頻率太高的話,相對延時太多,且所需驅動功率增大,UC3724和UC3725芯片發熱溫升較高,故100kHz以上開關頻率僅對較小極電容的MOSFET才可以。對于1kVA左右開關頻率小于100kHz的場合,它是一種良好的驅動電路。該電路具有以下特點:單電源工作,控制信號與驅動實現隔離,結構簡單尺寸較小,尤其適用于占空比變化不確定或信號頻率也變化的場合。

烜芯微專業制造二三極管,MOS管,20年,工廠直銷省20%,1500家電路電器生產企業選用,專業的工程師幫您穩定好每一批產品,如果您有遇到什么需要幫助解決的,可以點擊右邊的工程師,或者點擊銷售經理給您精準的報價以及產品介紹

烜芯微專業制造二三極管,MOS管,20年,工廠直銷省20%,1500家電路電器生產企業選用,專業的工程師幫您穩定好每一批產品,如果您有遇到什么需要幫助解決的,可以點擊右邊的工程師,或者點擊銷售經理給您精準的報價以及產品介紹

